DC regüle güç kaynaklarının düzeltilmesi ve filtrelenmesi:
1. Doğrultucu devrelerin sınıflandırılması
(1) Giriş tipine göre AC güç kaynağı, tek fazlı düzeltme ve üç fazlı düzeltmeye ayrılabilir.
(2) Çıkış gücüne göre küçük güç ve yüksek güç olarak ayrılabilir. Küçük güç DC güç kaynağı genellikle tek fazlı doğrultucu kullanılırken, daha büyük güç DC güç kaynağı için genellikle üç fazlı doğrultucu kullanılır.
(3) Doğrultucu elemanın tipine göre kontrol edilebilir doğrultucu ve kontrol edilemeyen doğrultucu devresine ayrılabilir. Kontrol edilebilir doğrultucu devresinde çıkış geriliminin boyutunu kontrol etmek için doğrultucu elemanın çalışma süresi değiştirilerek; Kontrol edilemeyen doğrultucu devresinde doğrultucu elemanın çalışma süresi kontrol edilemez, doğrultucu devrenin giriş voltajı ve yükün belirli olması gerektiğinde çıkış voltajının da belirli olması gerekir.
2. Doğrultucu devresinin temel çalışma prensibi
Doğrultucu diyotun tek yönlü iletkenliğini kullanan doğrultucu devresi, alternatif akımı tek yönlü titreşimli elektriğe dönüştürür, çıkış voltajı belirli bir DC bileşeni içerir.
3. Tek fazlı doğrultucu devresi ve ana performans göstergeleri
Transformatörün sekonder tarafının rms gerilimi için U2'yi, yük direnci için RL'yi, devre çıkış geriliminin DC bileşeni için Uo'yu, en yüksek ters gerilime dayanacak diyot için UDRM'yi, akımın ortalama değeri için ID'yi ayarlayın. diyottan akıyor. Tek fazlı doğrultucu devresi ve ana performans göstergeleri Tablo 1'de gösterilmektedir.
4. Filtre devresi
(1) filtre devresinin rolü
Filtre devresi, enerji depolama devresinde kapasitans, endüktans kullanımıdır ve farklı frekanslardaki özellikleri, çıkış voltajındaki dalgalanmayı azaltmak için alçak geçişli bir filtre devresi oluşturmak üzere farklı reaktansa sahiptir.
(2) Kondansatör Filtre Devresi
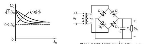
Tek fazlı köprü doğrultucu kapasitör filtre devresi Şekil 10.1'de, bu devrenin dış özellikleri ise Şekil 10.2'de gösterilmiştir.

(3) Kapasitör filtre devresinin özellikleri
① Çıkış geriliminin Uo ortalama değeri, transformatör U2'nin sekonder tarafındaki gerilimin RMS değerinden daha büyüktür.
DC regülasyonlu güç kaynağı çeşitleri ve seçimi, DC regülasyonlu güç kaynağının doğrultulması ve filtrelenmesi
(T, AC voltajının periyodudur), çıkış voltajının ortalama değeri
DC regülasyonlu güç kaynağı çeşitleri ve seçimi, DC regülasyonlu güç kaynağının doğrultulması ve filtrelenmesi
② Çıkış DC voltajının boyutu, yük değişikliklerinden büyük ölçüde etkilenir; yükün değişmediği veya çıkış akımının büyük olmadığı durumlar için uygundur.
③ Filtre kapasitesi ne kadar büyük olursa, filtreleme etkisi o kadar iyi olur.
Diyottan akan ani akım büyüktür ve diyotun akım parametresi 2~3 kat bir marjla seçilmelidir.
(4) Diğer filtre devresi biçimleri
Kondansatör filtre devresinin yanı sıra endüktör filtresi, RC-π filtresi, LC-π filtresi ve diğer devreler de bulunmaktadır.
